من استفاد ويريد ألإعانة يرسل على هدا الرقم
flexy +213553532097
0553532097
50 DA
)=======**======(
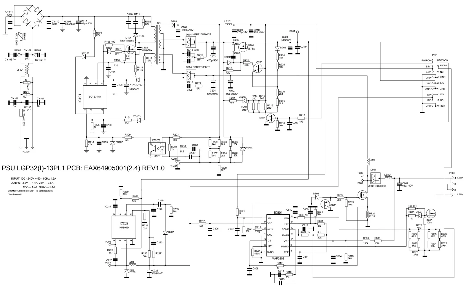
LG 32LN544B-TJ
Châsssi:LA32B/LA36B/LB36B EAX65049105(1.1)
Châsssi:LA32B/LA36B/LB36B
TPS65281RGV
TPS54319TRE
+3.3V_Normal
TJ1118S-2.5
AP7173-SPG-13 HF(DIODES)
AO3407A+MMBT3904
SMAW200-H18S1
Power_DET
TPS65281RGV
TPS54319TRE
+3.3V_Normal
AO3407A+MMBT3904
Power_DET
LGP32(I)-13PL1
DUMP BOOT:


















Aucun commentaire:
Enregistrer un commentaire