من استفاد ويريد ألإعانة يرسل على هدا الرقم
flexy +213553532097
0553532097
50 DA
)=======**======(
احسن المبرمجات المجانية
TCHEQUE
تمتاز بانها اسرع المبرمجات المجانية و محدتة باخر انواع الفلاشات
SPIPGM(1)
parallel port
تعمل على المنفد الاصلى للحاسوب
عملتلها منضم جهد 3.3 فولط و التغدية من اليواسبى
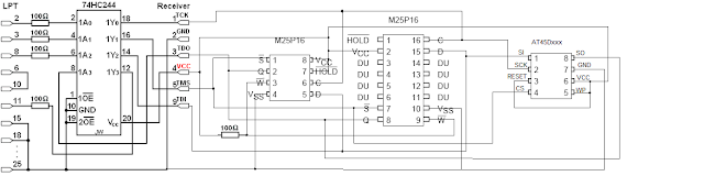
الرسم التخطيطى للمبرمجة
النسخةالجزائرية التى تعمل على الويندوز
للاخ العملاق صلاح او بلاتينى
عيبها هو عدم وجود خاصية التاكد من صحة البرمجة
لاكن رائعة و تحية تقدير للاخ صلاح
لمن يعمل على تجديد السيرفر
![]() |
| Ajouter une légende |
******************************************************
الجزء التانى
Postal2.rar
SPI_PROG.rar
++++++++++++++++++++++++++++++++++++++++++++++++++++++++++++++
===============================================================
USB PROG
================================================
USBASP
USBASP PRPG.lay6
طريقة تحديت المبرمجة بالفيرمواير الخاص بها
يجب قصر جامبر self programing
SinaProg 2.1.1.rar
USBASP V2.3.zip
CH342A TO 3V3
CUT PISTE
CH342A TO 3V3
الجزء التانى
Postal2.rar
SPI_PROG.rar
++++++++++++++++++++++++++++++++++++++++++++++++++++++++++++++
===============================================================
USB PROG
================================================
USBASP
USBASP PRPG.lay6
طريقة تحديت المبرمجة بالفيرمواير الخاص بها
يجب قصر جامبر self programing
USBASP V2.3.zip
CH342A TO 3V3
CUT PISTE
CH342A TO 3V3
AfwTiTM5eqDZ74LA1nC_wLDNWmWNbO_L7A4N-AVsDig
CH341A
CH341Apdf.rar
https://4pda.ru/forum/index.php?showtopic=884713&st=4400
http://forum.easyelectronics.ru/viewtopic.php?f=17&t=10947
https://4pda.ru/forum/index.php?showtopic=884713&st=4400
http://forum.easyelectronics.ru/viewtopic.php?f=17&t=10947
++++++++++++++++++++++++++++++++++++++++++++++++++++++++++++++++++
Postal3
سوف تدهلك هده المبرمجة من الطيف الواسع من المهام
التى تؤديها فهى احترافية باتم معنى الكلمة
لمن يريد سرعة فى البرمجة يستعمل معها
CH431A
=========================

postal3-25.pd
emmc_postalavr_mega8.rar
fuses pour Mega8: High = CF, Low = AF;fuses pour Mega88-168-328: Ext = FD, High = DD, Low = E7.
FDT232 USB TO SERIAL.LAY
USB_CP2102_ATmega8_DIP_v7.4.lay
Postal3_emmc_v8.rar
Postal3
سوف تدهلك هده المبرمجة من الطيف الواسع من المهام
التى تؤديها فهى احترافية باتم معنى الكلمة
لمن يريد سرعة فى البرمجة يستعمل معها
CH431A
=========================

postal3-25.pd
emmc_postalavr_mega8.rar
fuses pour Mega8: High = CF, Low = AF;fuses pour Mega88-168-328: Ext = FD, High = DD, Low = E7.
FDT232 USB TO SERIAL.LAY
USB_CP2102_ATmega8_DIP_v7.4.lay
Postal3_emmc_v8.rar
***************************************
CH232HQ
ارخس مبرمجة و اسرعهم
CLK==)10Kh to GND
CMD==)10kh to 3V3







































الله ينور يا هندسة
RépondreSupprimerمموضوع رائع
الله يجازيك كل خير
Supprimerماهي المبرمجة التي تقوم بمسح أوتيبي فلاشات اجهزة الفانيلا gd25q64scigs
RépondreSupprimerلا تتعب نفسك
Supprimer